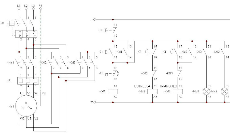
Arranque Estrella Triangulo Automatico - El momento del arranque tiene una importancia especial en el funcionamiento del motor:

Arranque Estrella Triangulo Automatico / Posted by enrique molina on 6:41 no comments.

Random Posts

  • Imagenes De Pantera Negra Animal Para Fondo De Pantalla
  • Moldes De Letras Bonitas Para Cumpleaños
  • Moldes Letras Para Dibujar Feliz Cumpleaños
  • Caras Kawaii De Roblox
  • حاشیه تزیین صفحات دفتر مشق
  • Gratitud Frases Gracias Por Estar En Mi Vida
  • Motivacion Frases De Canserbero
  • Letras Bonitas Para Carteles Online
  • Darían Rojas Antes
  • Mgk And Yungblud Wallpapers
  • Frases Beret Prisma
  • Hombre Araña Meme
  • Imagenes De Cholos Payasos
  • Urlebird. Com/User/Allyz42/
  • Matematicas En Letras Bonitas Para Colorear
  • Popular Posts

  • Imagenes De Canserbero Con Frases Jeremias 17 5
  • Frases Con Letras Lindas Para Copiar Y Pegar
  • Frases De Green Valley Si No Te Tengo
  • Tatuajes De Karen Mendez
  • Kally Ponce Instagram
  • El Chavo Animado Memes
  • Tatuajes Rosa De Los Vientos Hombre
  • Abecedario Letras Bonitas Para Pancartas
  • Letras Para Copiar Y Pegar En Word
  • Speciale Buonanotte Gif
  • Canto Pescador De Hombres Letra
  • Abecedario Titulos
  • Mi Eterno Amor Del Cielo Imagenes
  • Super Heroes Para Colorear Kawaii
  • Alebrijes Para Colorear