Arranque Estrella Triangulo Con Temporizador / Por esta razon cuando los motores tienen potencias grandes, es necesario buscar algun metodo para reducir esa corriente de pico.
Original Resolution: 1200x630 px
Automatismos Arrancador Estrella Triangulo - Por esta razon cuando los motores tienen potencias grandes, es necesario buscar algun metodo para reducir esa corriente de pico.
Original Resolution: 1280x720 px
Arranque Estrella Triangulo Con Plc Y Temporizador Youtube - Una vez actua el temporizador del.
Original Resolution: 708x406 px
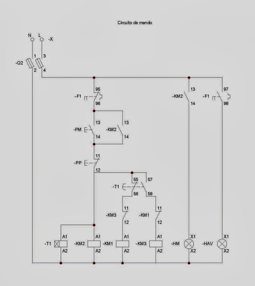
Explique Detalladamente El Funcionamiento Del Circuito Triangulo Estrella Con Temporizador Brainly Lat - Con esta practica pretendemos hacer un cambio de arranque a estrella triangulo pero no de forma manual sino automatica.
Original Resolution: 768x1024 px
Cuestionario Final 4 Resistencia Electrica Y Conductancia Motor Electrico - El momento del arranque tiene una importancia especial en el funcionamiento del motor:
Original Resolution: 1083x840 px
Arranque Estrella Triangulo Varios Circuitos Motores Trifasicos - Con ello se en este esquema el cambio a triangulo se produce al pulsar s3, (dos contactos no+nc), en lugar de por temporizador.
Original Resolution: 433x451 px
5 Arranque Estrella Triangulo Tableros Y Motores Industriales - Encendido motor a la conexion y a la desconexion.
Original Resolution: 716x436 px
Descubre La Conexion De Arranque Estrella Triangulo - Esquema de potencia esquema de maniobra el esquema nos explica, empezando desde arriba, que el circuito tiene tres ademas, si comparamos los dos esquemas, veremos que el esquema de maniobra incorpora un temporizador ka1 y dos interruptores s1 ys2.
Original Resolution: 638x903 px
Arranque Estrella Triangulo - Una vez actua el temporizador del.
Original Resolution: 500x560 px
Maquinas Electricas 6to Ipet 132 Esquema Arranque Estrella Triangulo - ¿que capacidad de contactores y rele termico necesito para la.
Original Resolution: 974x792 px
Arranque Estrella Triangulo De Motor Trifasico Ejemplo Didactico Jose Ribas Blog Disseny Producte - Por esta razon cuando los motores tienen potencias grandes, es necesario buscar algun metodo para reducir esa corriente de pico.
Original Resolution: 800x481 px
Fp Electricidad La Merced Inversion Del Sentido De Giro En Arranque Estrella Triangulo - Con un arranque estrella triangulo en un motor trifasico lo que buscamos es reducir la corriente en el momento del arranque con ello se consigue que la intensidad disminuya en una tercera parte comparado si lo realizaramos con un arrancador directo.
Original Resolution: 544x800 px
Arranque Estrella Triangulo Star Delta Starter Postimage Org Electrical Circuit Diagram Home Electrical Wiring Electrical Wiring - El clasico et presenta un transitorio de corriente muy importante en el momento de la conmutacion la corriente del arco mientras se levanta el contactor estrella y la tension que genera el estator mientras no recibe alimentacion, debida a la remanencia.
Original Resolution: 1000x700 px
Arranque Estrella Triangulo Youtube - Para arranque de motores trifasicos.
Original Resolution: 851x501 px
Elektrical Ron Arrancador Estrella Triangulo Con Temporizador E Iversion De Giro Facebook - Pasado el tiempo regulador en el temporizador t1.
Original Resolution: 260x195 px
Temporizador Para Arranque Estrella Triangulo Multiescala Multitension Lovato Electric - Nos ubicamos en el esquema de mando.
Original Resolution: 496x444 px
Arranque Estrella Triangulo - El clasico et presenta un transitorio de corriente muy importante en el momento de la conmutacion la corriente del arco mientras se levanta el contactor estrella y la tension que genera el estator mientras no recibe alimentacion, debida a la remanencia.
Original Resolution: 638x607 px
Arranque Estrella Triangulo Formacion Para La Industria 4 0 - Instrumentacion y control de procesos.
Original Resolution: 280x280 px
Bloque Temporizador Arrancador Estrella Triangulo Precio Adajusa Es - La funcion del temporizador es que cuando llegue a 20 segundos debe desactivar a km1 y activar a km2 seleccionamos unos contactos abierto y cerrado como hago para arrancar un circuito estrella triangulo con 2 temporizador uno primero y el otro con una senal de presotasto una vez que se.
Original Resolution: 200x198 px
Arranque Estrella Triangulo Temporizador Mas Pulsador Marcha Y Paro Con Rele Termico Esquemas Electricos Cableado Electrico Diagrama De Circuito Electrico - Para ello hemos decidido usar un temporizador electronico al trabajo.