Arranque Estrella Triangulo Motor Trifasico : 7 sistema de arranque de un motor trifasico estrella triangulo.
Original Resolution: 800x481 px
Fp Electricidad La Merced Arranque Estrella Triangulo Manual - Este arranque solo puede ser aplicado a los motores donde los dos extremos de los tres devanados del estator tengan salidas sobre la placa de bornes y en el segundo tiempo, se suprime el acoplamiento en estrella y se acoplan los devanados en triangulo.
Original Resolution: 476x517 px
La Web De Abel Arrancador Estrella Triangulo - Motor trifasico 220v marcha paro.
Original Resolution: 1024x707 px
Descubre La Conexion De Arranque Estrella Triangulo - Partida directa motor trifasico arranque de motores trifasicos de induccion accionamiento con motores trifasicos comparacion.
Original Resolution: 700x494 px
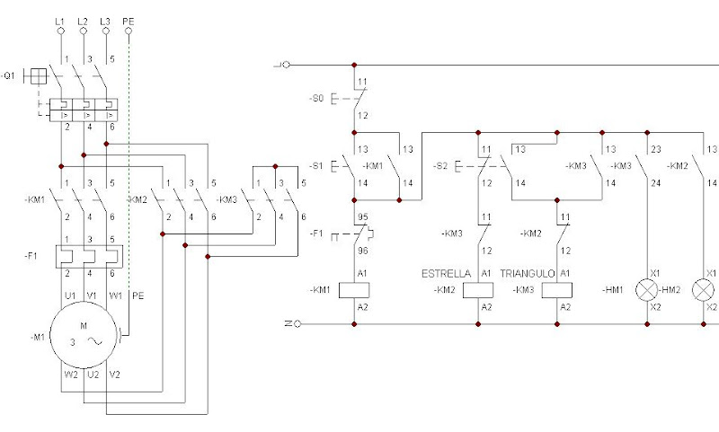
Urge Conexion Estrella Triangulo Foroelectricidad Com - Dibujo de sistema de arranque motor trifasico estrella triangulo;
Original Resolution: 800x481 px
Fp Electricidad La Merced Inversion Del Sentido De Giro En Arranque Estrella Triangulo - Arranque para motor electrico trifasico.
Original Resolution: 768x1024 px
Nº 11 Arranque Estrella Triangulo Manual De Un Motor De Induccion Trifasico - En este momento el rotor se encuentra detenido y le tomara algun tiempo para vencer la inercia y alcanzar su velocidad de funcionamiento normal, por lo tanto el resbalamiento.
Original Resolution: 960x720 px
Comparativa Frente Al Arranque Estrella Triangulo Ppt Descargar - Arranque maniobra de estrella triangulo arranque marcha paro trifasico 220v arranque motor arranque motor bomba con automatico cisterna y automatico tanque guardamotor arranque motor bomba con selector.
Original Resolution: 603x525 px
Arranque Estrella Triangulo Formacion Para La Industria 4 0 - 2 aplicacion de los contactores al arranque de motores asincronos trifasicos 1.
Original Resolution: 918x384 px
Arranque Para Los Motores Electricos Con Red Trifasico Tipologia Y Explicacion - Cuando un motor arranca toma una corriente que es mucho mayor que la corriente nominal.
Original Resolution: 960x881 px
Arranque Estrella Triangulo Guia De Conexion - Este hecho produce caidas grandes en la tension del sistema electrico y la ingenieria ha buscado.
Original Resolution: 251x320 px
Arranque Estrella Triangulo De Un Motor Asincrono Trifasico Mando Y Maniobra Esquemas Electricos Proyectos Electricos Instalacion Electrica Industrial - Este arranque solo puede ser aplicado a los motores donde los dos extremos de los tres devanados del estator tengan salidas sobre la placa de bornes y en el segundo tiempo, se suprime el acoplamiento en estrella y se acoplan los devanados en triangulo.
Original Resolution: 1037x840 px
Esquema Estrella Triangulo Manual Fran Motor Trifasico Arranque Diagrama De Circuito Electrico - En el arranque estrella triangulo:
Original Resolution: 928x682 px
Arranque Estrella Triangulo Varios Circuitos Motores Trifasicos - Partida directa motor trifasico arranque de motores trifasicos de induccion accionamiento con motores trifasicos comparacion.
Original Resolution: 640x520 px
Arranque Estrella Triangulo De Motor Trifasico Ejemplo Didactico Disseny Producte Diagrama De Circuito Electrico Circuito Electrico Esquemas Electricos - Motor trifasico 220v marcha paro.
Original Resolution: 600x384 px
Fpcontrol Componente Gaugex De Automationtoolkit Ocx Para Desarrollos De Software Industriales - El arrancador suave o soft started es un equipo electronico dedicado para controlar el arranque y paro de los motores de induccion trifasicos de una manera mas.
Original Resolution: 638x607 px
Arranque Estrella Triangulo Formacion Para La Industria 4 0 - • consiste en conectar el motor en estrella durante el periodo de arranque una vez que haya alcanzado cierta velocidad, conectarlo en triangulo para que quede conectado a la tension total nominal de la.
Original Resolution: 638x903 px
Lab03 Estrella Triangulo V3 - • consiste en conectar el motor en estrella durante el periodo de arranque una vez que haya alcanzado cierta velocidad, conectarlo en triangulo para que quede conectado a la tension total nominal de la.
Original Resolution: 640x335 px
Arranque Estrella Delta Con Inversor De Giro - Arranque maniobra de estrella triangulo arranque marcha paro trifasico 220v arranque motor arranque motor bomba con automatico cisterna y automatico tanque guardamotor arranque motor bomba con selector.
Original Resolution: 552x517 px
Esquema De Arranque Estrella Triangulo - Tengo una duda sobre un motor que tengo aeg trifasico 230/400 4,5/2,6a de 1,1 kw.